CNP серии MSS относятся к горизонтальным многоступенчатым центробежным насосам секционного типа, предназначенным для подачи воды и технологических жидкостей в системах, где требуется создание значительного давления при стабильном расходе. Последовательное расположение гидравлических ступеней позволяет формировать требуемый напор без увеличения габаритов насосного оборудования
Секционная компоновка корпуса обеспечивает точное центрирование рабочих колёс и стабильную геометрию проточной части. Горизонтальное исполнение облегчает размещение насоса на основании или раме насосной станции и обеспечивает свободный доступ к основным узлам при проведении сервисных работ
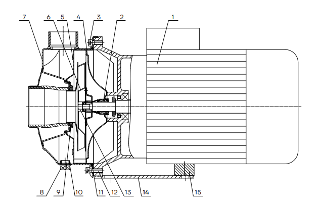
Конструкция насоса
- Электродвигатель
- Торцевое уплотнение
- М6×15 Винт
- Опора уплотнения
- Диффузор
- Рабочее колесо
- Корпус
- Пробка
- Уплотнительное кольцо
- Уплотнительное кольцо
- Уплотнительное кольцо
- М6×20 Винт
- Гайка М10
- Основание
- Опора
Секционная схема корпуса обеспечивает точное взаимное расположение элементов гидравлической части и поддерживает стабильные параметры потока при работе насоса
Перекачиваемые жидкости
Насосы серии MSS рассчитаны на перемещение чистых и химически нейтральных жидкостей, не содержащих твёрдых частиц и волокнистых включений
Рабочей средой могут служить вода инженерных сетей, производственная техническая вода и технологические жидкости, совместимые с материалами гидравлической части насоса
Основные преимущества и особенности конструкции
Конструкция серии MSS ориентирована на применение в системах, где требуется получение высокого давления при компактной компоновке насосного оборудования
- Горизонтальная многоступенчатая гидравлическая схема
- Секционный корпус с последовательным расположением ступеней
- Рабочие колёса закрытого типа
- Торцевое механическое уплотнение вала
- Исполнение для установки на основании или раме
Секционная конструкция упрощает доступ к внутренним узлам насоса и облегчает проведение сервисных работ
Область применения насосов CNP серии MSS
Насосные станции повышения давления
Создание необходимого давления в системах водоснабжения зданий и инженерных комплексов
Инженерные сети большой протяжённости
Подача воды в трубопроводах с существенными гидравлическими потерями
Промышленные установки
Транспортирование технологических жидкостей в производственных системах
Системы водоподготовки
Работа в установках очистки и распределения воды
Насосы серии MSS применяются в инженерных и производственных системах водоснабжения, где требуется надёжная работа оборудования при длительной эксплуатации и стабильные гидравлические параметры в трубопроводной сети