CNP серии MS относятся к горизонтальным многоступенчатым центробежным насосам, предназначенным для подачи воды и технологических жидкостей в системах водоснабжения, повышения давления и промышленной циркуляции. Последовательное расположение гидравлических ступеней позволяет формировать высокий напор при транспортировании жидкости по протяжённым трубопроводным сетям
Горизонтальная компоновка насосов обеспечивает установку оборудования на раме или фундаментном основании насосной станции. Такое исполнение облегчает доступ к основным рабочим узлам и обеспечивает стабильную эксплуатацию оборудования при непрерывной работе в инженерных и производственных системах
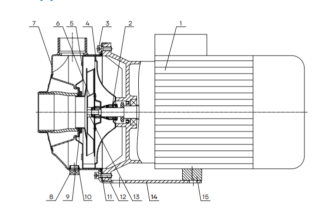
Конструкция насоса
- Электродвигатель
- Муфта
- Кожух муфты
- Вал насоса
- Секционный корпус
- Рабочие колёса
- Торцевое механическое уплотнение
- Подшипниковый узел
- Всасывающий патрубок
- Напорный патрубок
Секционная конструкция корпуса и последовательное расположение рабочих колёс позволяют формировать требуемое давление в трубопроводной системе при различных режимах эксплуатации
Перекачиваемые жидкости
Перекачиваемая среда для насосов серии MS должна быть очищена от абразивных частиц и волокнистых примесей
В качестве рабочей среды применяются вода систем хозяйственно-питьевого и технического водоснабжения, вода установок повышения давления, а также технологические жидкости, совместимые с материалами проточной части оборудования
Основные преимущества и особенности конструкции
Конструктивная схема насосов серии MS рассчитана на применение оборудования в системах, где требуется формирование значительного давления
- Горизонтальная многоступенчатая центробежная конструкция
- Секционная компоновка корпуса
- Последовательное расположение рабочих колёс
- Торцевое механическое уплотнение вала
- Исполнение для интеграции в насосные станции
Многоступенчатая гидравлическая схема позволяет распределять нагрузку между ступенями и формировать необходимый напор в системе
Область применения насосов CNP серии MS
Станции повышения давления
Поддержание требуемого давления в системах водоснабжения жилых и административных зданий
Промышленные системы водоснабжения
Подача воды и технологических жидкостей в производственных установках
Установки водоподготовки
Работа в системах фильтрации и подготовки воды
Инженерные контуры
Эксплуатация в системах, где требуется повышенное давление рабочей среды
Насосы серии MS применяются в инженерных и промышленных системах для подачи воды и технологических жидкостей. Конструкция оборудования позволяет использовать насосы в составе установок различной производительности и адаптировать их под условия конкретного объекта