Wilo DrainLift — напорные установки для отвода сточных вод

Wilo DrainLift — это серия готовых напорных установок для сбора и перекачивания сточных вод в случаях, когда самотёчный отвод невозможен. Насосы Wilo DrainLift применяются в системах канализации жилых, коммерческих и промышленных объектов и позволяют организовать надёжный отвод стоков ниже уровня обратного подпора
Запросы wilo drainlift, насос wilo drainlift, установка wilo drainlift давно стали привычными для инженеров и проектировщиков: линейка DrainLift охватывает как компактные санитарные установки, так и полноценные двухнасосные станции для объектов с высокой нагрузкой
Назначение и принцип работы Wilo DrainLift
Напорная установка Wilo DrainLift представляет собой заводской комплекс, включающий герметичный резервуар, один или два погружных насоса, автоматическую систему управления и патрубки для подключения трубопроводов
Сточные воды поступают в резервуар установки Wilo DrainLift, после чего при достижении заданного уровня автоматика включает насос. Перекачивание осуществляется в напорный трубопровод, расположенный выше уровня обратного подпора канализационной сети. После опорожнения резервуара насос автоматически отключается
Такая схема работы делает установки Wilo DrainLift оптимальным решением для подвальных и цокольных помещений, где классическая самотёчная канализация технически невозможна
Конструктивные особенности установок Wilo DrainLift
Все установки Wilo DrainLift выполнены по унифицированной инженерной концепции, что упрощает монтаж, обслуживание и подбор оборудования
Базовая конструкция включает:
- Герметичный резервуар из полиэтилена (PE)
- Встроенный погружной насос или два насоса
- Рабочее колесо из армированного полимера PP-GF30
- Вал и корпус электродвигателя из нержавеющей стали
- Автоматическую систему управления с поплавковыми датчиками
- Вентиляционный патрубок Ø50 или Ø75
- Приточные и напорные подключения DN 80 / DN 100 / DN 150
После рассмотрения конструкции логично перейти к типам сточных вод, поскольку именно они напрямую влияют на выбор конкретной серии

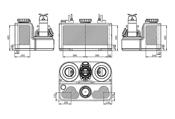
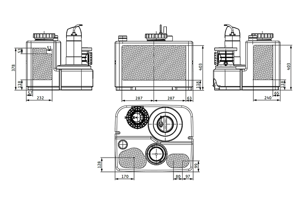
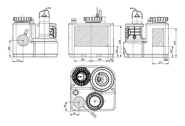
Габаритный чертеж DrainLift SANI-L

Габаритный чертеж DrainLift SANI-M

Габаритный чертеж DrainLift SANI-S

Габаритный чертеж DrainLift SANI-XL
Какие сточные воды перекачивают установки Wilo DrainLift
Напорные установки Wilo DrainLift предназначены для перекачивания бытовых и фекальных сточных вод, образующихся в жилых, коммерческих и общественных зданиях
В зависимости от серии и исполнения установки Wilo DrainLift могут работать:
- С фекальными сточными водами
- С бытовыми загрязнёнными стоками
- С водой, содержащей твёрдые включения в пределах допустимого свободного прохода рабочего колеса
- Со сточными водами температурой 3…40 °C, с кратковременным повышением до 65 °C
Свободный проход 44 мм или 65 мм позволяет эффективно перекачивать загрязнённые стоки без риска частых засоров, что особенно важно при эксплуатации в ресторанах, общественных зданиях и многоквартирных домах. Для отдельных условий доступны исполнения для агрессивных жидкостей
Wilo DrainLift SANI-S — компактные санитарные установки
Серия Wilo DrainLift SANI-S предназначена для локального отвода сточных вод от отдельных санитарных приборов и инженерных точек
Инженерные особенности SANI-S:
- Один встроенный погружной насос
- Компактный резервуар объёмом около 25–30 л
- Режим работы S3-10%
- Температура стоков 3…40 °C, кратковременно до 65 °C
- Свободный проход до 44 мм
- Подключение 1~230 В или 3~400 В
- Вес порядка 28–29 кг
Установки Wilo DrainLift SANI-S применяются в частных домах, небольших офисах и коммерческих помещениях. Эта серия чаще всего встречается в запросах wilo drainlift sani и используется при реконструкции канализации в условиях ограниченного пространства
Wilo DrainLift SANI-M — универсальные установки среднего класса
Wilo DrainLift SANI-M представляет собой универсальное решение для объектов со средним объёмом сточных вод, где компактных санитарных установок уже недостаточно
Инженерные особенности SANI-M:
- Один погружной насос
- Объём резервуара около 112 л
- Объём включения порядка 53 л
- Режим работы S1 или S3
- Допустимая температура стоков до 65 °C
- Свободный проход до 65 мм
- Подключения DN 80 / DN 100 / DN 150
- Масса около 50–51 кг
По логике применения Wilo DrainLift SANI-M востребована в ресторанах, кафе, медицинских кабинетах, фитнес-центрах и офисных зданиях, где характерны переменные нагрузки и кратковременные пиковые притоки сточных вод
Wilo DrainLift SANI-L — двухнасосные установки повышенной надёжности
Серия Wilo DrainLift SANI-L относится к профессиональным напорным установкам и предназначена для эксплуатации в условиях повышенной нагрузки и неконтролируемого притока сточных вод
Инженерные особенности SANI-L:
- Двухнасосная схема
- Объём резервуара около 137 л
- Режим работы S1 или S3
- Свободный проход 44 мм или 65 мм
- Подключения DN 80 / DN 100 / DN 150
- Масса в диапазоне 70–80 кг
По логике применения именно Wilo DrainLift SANI-L чаще всего рассматривается при запросах насос wilo drainlift и установка wilo drainlift для многоквартирных домов и коммерческих объектов. Двухнасосная схема обеспечивает резервирование, равномерный износ оборудования и устойчивую работу системы
Wilo DrainLift SANI-XL — максимальная производительность
Серия Wilo DrainLift SANI-XL — верхний сегмент линейки DrainLift, рассчитанный на большие объёмы сточных вод и высокую эксплуатационную нагрузку
Инженерные особенности SANI-XL:
- Двухнасосная схема
- Увеличенный объём резервуара до 375 л
- Объём включения до 162 л
- Рабочий режим S1
- Максимальный напор до 23 м
- Производительность до 80 м³/ч
- Вес порядка 98 кг
Установки Wilo DrainLift SANI-XL применяются в торговых центрах, гостиницах, промышленных зданиях и объектах с нестабильным притоком сточных вод, где требуется высокая надёжность и длительная непрерывная работа
Установка Wilo DrainLift — основные требования
Установка Wilo DrainLift выполняется в отапливаемых помещениях с обеспечением доступа для обслуживания. Обязательным условием является подключение вентиляционного трубопровода и корректное устройство напорной линии с обратным клапаном
При проектировании установки Wilo DrainLift учитываются:
- Уровень обратного подпора канализации
- Диаметр напорного трубопровода
- Режим работы установки
- Объём и характер сточных вод
Соблюдение этих требований обеспечивает стабильную работу оборудования и увеличивает срок его службы
Как выбрать Wilo DrainLift под конкретный объект
Подбор установки Wilo DrainLift начинается с анализа условий эксплуатации. Для отдельных санитарных приборов достаточно серии SANI-S, при увеличении объёма сточных вод рационально рассматривать SANI-M
Если объект характеризуется неконтролируемым притоком стоков или повышенными требованиями к надёжности, оптимальным выбором становятся двухнасосные установки SANI-L или SANI-XL. При этом учитываются расчётный расход, напор, режим работы и необходимость резервирования насосов
Серии и обозначения — KH, KH 32, XS-F, CON, TMP
При поиске напорных установок пользователи часто сталкиваются с обозначениями wilo drainlift kh, wilo drainlift kh 32, wilo drainlift kh 32 0.4, wilo drainlift xs f, wilo drainlift con, wilo drainlift tmp. Эти наименования регулярно встречаются в старых каталогах, проектной документации, коммерческих предложениях и результатах поиска, что создаёт ощущение большого количества отдельных серий
На практике данные обозначения не являются самостоятельными актуальными линейками, а отражают различные этапы развития продуктовой линейки Wilo DrainLift, региональные особенности маркировки и упрощённые коммерческие названия
Обозначение KH, KH 32, KH 32 0.4
Наименования Wilo DrainLift KH и Wilo DrainLift KH 32 чаще всего связаны с ранними или региональными версиями компактных напорных установок, ориентированных на отвод сточных вод по напорному трубопроводу малого диаметра, как правило DN 32
Обозначение KH 32 0.4 обычно указывает:
- На диаметр напорного патрубка DN 32
- На мощность электродвигателя порядка 0,4 кВт
- На компактное исполнение для локальных санитарных задач
Функционально такие установки соответствуют компактным санитарным решениям Wilo DrainLift SANI-S и в актуальных каталогах не используются, но продолжают встречаться в поисковых запросах и на вторичном рынке
Обозначение Wilo DrainLift XS-F
Wilo DrainLift XS-F — это коммерческое и проектное обозначение компактных установок для ограниченного пространства. Как правило, под этим названием подразумеваются установки малого объёма, предназначенные для отвода сточных вод от отдельных санитарных приборов
В современных каталогах Wilo такие решения включены в линейку DrainLift SANI-S, которая закрывает те же эксплуатационные задачи, но с унифицированной конструкцией и актуальной системой управления. Таким образом, XS-F можно рассматривать как устаревшее или альтернативное наименование компактных санитарных установок
Обозначения Wilo DrainLift CON и TMP
Обозначения CON и TMP чаще всего встречаются в контексте:
- Типа управления
- Комплектации установки
- Особенностей поставки или интеграции в систему автоматики
В ряде случаев такие обозначения использовались для упрощённого описания исполнения установки в коммерческих предложениях или проектных спецификациях. В актуальной линейке Wilo DrainLift данные функции реализованы через стандартные шкафы управления и модификации серий SANI-S, SANI-M, SANI-L и SANI-XL, без выделения отдельных серий с названиями CON или TMP
Как правильно интерпретировать эти обозначения при подборе
При фактическом подборе оборудования обозначения KH, KH 32, XS-F, CON, TMP следует рассматривать как поисковые и справочные синонимы, а не как самостоятельные серии. Они помогают понять исходные требования к установке — компактность, диаметр напорного трубопровода, ориентировочную мощность или тип применения, — но не используются для прямого подбора оборудования
Актуальный выбор напорной установки выполняется по современным сериям:
- Wilo DrainLift SANI-S — для компактных санитарных задач
- Wilo DrainLift SANI-M — для средних нагрузок
- Wilo DrainLift SANI-L — для объектов с повышенными требованиями к надёжности
- Wilo DrainLift SANI-XL — для больших объёмов сточных вод и длительной эксплуатации
Такой подход позволяет корректно сопоставить старые или альтернативные обозначения с актуальными моделями Wilo DrainLift и подобрать оборудование с учётом реальных условий эксплуатации
Область применения напорных установок Wilo DrainLift
Частные дома и коттеджи — отвод сточных вод ниже уровня канализации
В частном домостроении напорные установки Wilo DrainLift применяются для отвода сточных вод от подвальных и цокольных помещений, где размещаются дополнительные санузлы, душевые, прачечные, котельные и технические зоны. В таких условиях самотёчный отвод стоков невозможен, поэтому установка Wilo DrainLift обеспечивает принудительное перекачивание сточных вод в канализацию выше уровня обратного подпора. Использование напорной установки позволяет полноценно эксплуатировать подвальные помещения без риска затопления и нарушения работы канализационной системы
Многоквартирные жилые дома — подвальные зоны и помещения общего пользования
В многоквартирных домах насосы Wilo DrainLift используются для отвода сточных вод из подвальных помещений, инженерных зон и помещений общего пользования. Для таких объектов характерен неравномерный и неконтролируемый приток сточных вод, связанный с одновременным использованием санитарных приборов. Напорные установки Wilo DrainLift обеспечивают стабильную работу канализации, автоматическое включение насосов и, при необходимости, резервирование оборудования, что особенно важно для объектов с повышенными требованиями к надёжности
Коммерческие объекты — рестораны, кафе, офисные и общественные здания
В коммерческих объектах, таких как рестораны, кафе, фитнес-центры, торговые и офисные здания, установки Wilo DrainLift применяются для организации канализации в подвальных и полуподвальных помещениях. Здесь оборудование работает в условиях переменных и пиковых нагрузок, а сточные воды могут содержать загрязнения. Насосы Wilo DrainLift обеспечивают надёжный отвод стоков и стабильную работу системы без необходимости постоянного контроля со стороны обслуживающего персонала
Промышленные и инфраструктурные здания — сервисные и технические зоны
В промышленных и инфраструктурных зданиях напорные установки Wilo DrainLift применяются для отвода сточных вод из сервисных, вспомогательных и технических помещений. Для таких объектов важны высокая производительность, устойчивость к длительным нагрузкам и надёжная работа в автоматическом режиме. Использование установок Wilo DrainLift позволяет интегрировать систему отвода сточных вод в общую инженерную инфраструктуру объекта без сложных строительных решений и реконструкции канализационных сетей
Вывод
Wilo DrainLift — это универсальная линейка напорных установок для отвода сточных вод в условиях, где самотёк невозможен. Чёткая градация серий по назначению и производительности позволяет подобрать оптимальное решение под конкретные условия эксплуатации
Чтобы подобрать оптимальную модель и корректно рассчитать необходимые параметры, имеет смысл ориентироваться на реальные условия работы системы и требования объекта



















