Регулируемый электропривод: управление насосами и максимальная энергоэффективность

Регулируемый электропривод занимает важное место в работе промышленного насосного оборудования. Управление частотой вращения двигателя позволяет гибко адаптировать насос к текущим требованиям технологического процесса, оптимизировать расход энергии, снизить механическую нагрузку и повысить надёжность всей установки
Особенности регулируемого электропривода
Особенно эффективно такое решение проявляет себя в отраслях с переменной нагрузкой и высокими требованиями к точности: водоснабжение, пищевая и химическая промышленность, нефтепереработка
Здесь возможность точно регулировать параметры подачи жидкости становится не просто удобством, а критически важным фактором устойчивой и экономически оправданной эксплуатации
Преимущества регулируемого электропривода
- Гибкость эксплуатации
- Снижение энергопотребления
- Снижение уровня шума и вибрации
- Снижение пиковых нагрузок при пуске
- Увеличение срока службы оборудования
- Повышение точности технологического процесса
- Экономическая эффективность на жизненном цикле
- Автоматизация и интеграция в системы управления
Стандартный преобразователь частоты
Преобразователь частоты — это электронное устройство, которое регулирует скорость вращения асинхронного электродвигателя за счёт изменения частоты и амплитуды подаваемого напряжения. Он служит связующим звеном между питающей сетью и электродвигателем, обеспечивая не только плавный пуск и остановку, но и точное управление режимами работы оборудования в реальном времени
Схема электросети
Современные частотные приводы (например такие, как производит компания Grundfos) — это не просто регуляторы оборотов. Это интеллектуальные модули с функциями защиты, самодиагностики, удалённого мониторинга и интеграции в автоматизированные системы управления. Их использование позволяет выйти на новый уровень эффективности и надёжности при эксплуатации насосного оборудования
- Входной фильтр: защита и чистота сигнала
Фильтр на входе выполняет двойную функцию: он препятствует распространению высокочастотных помех от преобразователя частоты к другим устройствам, подключённым к той же сети, и одновременно защищает сам преобразователь от электромагнитных наводок со стороны питающей сети, которые могут нарушить его стабильную работу - Выпрямительный модуль: преобразование AC в DC
На втором этапе переменный ток (AC), поступающий от электросети, преобразуется в постоянный ток (DC). Эту задачу выполняет выпрямитель — модуль, состоящий из диодов или тиристоров, формирующий стабильное напряжение для дальнейшей обработки - Промежуточный контур: накопление и стабилизация энергии
После выпрямления постоянное напряжение поступает в так называемый промежуточный контур. Здесь энергия накапливается в виде сглаженного напряжения, которое может содержать пульсации в зависимости от текущей нагрузки на инвертор. Если нагрузки нет, колебания минимальны или полностью отсутствуют - Инвертор: формирование выходного сигнала
Финальная ступень — это преобразование постоянного тока обратно в переменный, но уже с заданными параметрами. Инвертор формирует переменное напряжение с регулируемой частотой и амплитудой, управляя этим процессом через шесть полупроводниковых ключей (транзисторов или тиристоров), которые поочередно открываются и закрываются, создавая нужный выходной сигнал
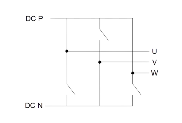
Инвертор
Инвертор — это силовой модуль, преобразующий постоянное напряжение в переменное с заданными параметрами частоты и амплитуды. Он является завершающим и наиболее активным элементом в составе преобразователя частоты, именно на этом этапе формируется регулируемое выходное напряжение, подаваемое на электродвигатель
Инвертор оборудован шестью контакторами, которые включаются по определённой схеме (шаблону)
В инверторе работают шесть силовых ключей (транзисторов или тиристоров), которые включаются и отключаются по определённому алгоритму. Это управление создаёт во вращающемся магнитном поле статора нужную последовательность, формируя заданную частоту и амплитуду выходного напряжения. Таким образом, инвертор определяет рабочие параметры электродвигателя, задавая его скорость и крутящий момент
Выходные фазы могут быть подключены либо к положительной шине постоянного тока (U dc+), либо к отрицательной (U dc–), либо временно отключены от обеих. При этом два ключа одного плеча (например, контактор 1 и контактор 2) никогда не должны включаться одновременно — это приведёт к короткому замыканию внутри преобразователя частоты. Подобная ситуация может вызвать серьёзное повреждение оборудования и вывести его из строя
Cостояние контакторов инвертора
Cиловые ключи (так называемые «контакторы» или «полумосты»), сгруппированны по два на каждую фазу (верхний и нижний). В каждый момент времени для каждой фазы может быть активно одно из трёх состояний:
- Фаза подключена к положительной шине постоянного тока (Udc+) — включён верхний ключ, нижний отключён
- Фаза подключена к отрицательной шине (Udc–) — включён нижний ключ, верхний отключён
- Фаза отключена от обеих шин (состояние холостого хода) — оба ключа находятся в выключенном состоянии
Важно
Верхний и нижний ключи одной фазы не должны быть включены одновременно — это создаёт прямой токовый путь между Udc+ и Udc–, вызывая короткое замыкание. Именно поэтому управление ключами осуществляется по строго заданной последовательности (шаблону), чтобы обеспечить безопасное и корректное формирование переменного выходного напряжения






ШИМ (широтно-импульсная модуляция)
Это один из основных способов управления электрическими приводами, вентиляторами, насосами и другим оборудованием, где требуется точная регулировка скорости и мощности. Она используется повсеместно — от бытовых блоков питания до промышленных частотных преобразователей
Суть метода
За счёт чередования импульсов разной ширины создаётся среднее напряжение, приближённое к желаемому уровню. Это позволяет управлять нагрузкой без потерь энергии, характерных для аналоговых схем. Благодаря своей эффективности и универсальности, ШИМ стала незаменимым инструментом в системах автоматизации, управления электродвигателями и преобразователях частоты



Элементы управления
Микропроцессор управляет работой инвертора, контролируя переключение шести силовых транзисторов. Он получает данные о параметрах системы — таких как частота, напряжение, нагрузка — и на их основе выстраивает точную логическую последовательность команд
Основная цель
Сформировать выходной сигнал с нужной амплитудой и частотой, обеспечивая стабильную работу подключённого оборудования. Благодаря алгоритмам широтно-импульсной модуляции (ШИМ), микропроцессор регулирует выход без лишних энергопотерь, поддерживая плавность запуска и динамическое управление скоростью вращения двигателя
Надёжность и точность работы инвертора напрямую зависят от корректной работы микропроцессора.
Управляющие импульсы для силовых ключей формируются по алгоритму, обеспечивающему линейную зависимость выходного напряжения от частоты. Иными словами, при изменении частоты автоматически изменяется и амплитуда выходного сигнала, что позволяет поддерживать оптимальные условия работы электродвигателя
- Диаграмма выходных сигналов системы управления – рис.1
- Форма выходных напряжений инвертора при активной нагрузке – рис.2


Внутренний источник питания
Встроенный источник питания выполняет важную функцию энергоснабжения как внутренних компонентов инвертора, так и подключаемых внешних устройств. Он используется для питания управляющих цепей, микроконтроллеров, интерфейсных плат и других элементов схемы
Помимо этого, данный источник способен подавать напряжение на внешние модули — такие как сенсоры, устройства контроля, сигнальные линии, исполнительные механизмы и элементы системы автоматики. Это позволяет избежать необходимости в дополнительных источниках питания и упростить общую схему подключения оборудования
Элемент контроля прикладного применения
Данный элемент отвечает за приём и обработку внешних управляющих сигналов, а также обеспечивает взаимодействие с шиной BUS. Через него осуществляется связь с внешними функциональными модулями, такими как панели управления, датчики или модули расширения
Контроллер передаёт обработанные команды микропроцессору, который интерпретирует сигналы и формирует последовательность включения силовых ключей инвертора в соответствии с заданным алгоритмом работы. Это позволяет точно регулировать выходные параметры устройства в зависимости от условий и сценариев эксплуатации
Внешние модули
Модули ввода/вывода используются для подключения внешних сигналов к системам управления — частотным преобразователям, контроллерам и ПЛК. Они принимают сигналы от датчиков, кнопок, реле, а также передают команды исполнительным устройствам. На платах размещены клеммники, штырьковые разъёмы, элементы фильтрации и гальванической развязки
Внешний фильтр
Используются для подключения внешних сигналов к системам управления — частотным преобразователям, контроллерам и ПЛК. Они принимают сигналы от датчиков, кнопок, реле, а также передают команды исполнительным устройствам. На платах размещены клеммники, штырьковые разъёмы, элементы фильтрации и гальванической развязки
Du/Dt фильтр
Фильтр скорости нарастания напряжения предназначен для ограничения крутизны фронта выходного напряжения, формируемого инвертором. Он сглаживает резкие скачки (перепады) напряжения, уменьшая электромагнитные помехи и защищая изоляцию обмоток электродвигателя, особенно при длинных кабелях между преобразователем частоты и двигателем




Вывод
Использование регулируемого электропривода — это не просто способ управления скоростью вращения двигателя. Это стратегический шаг в сторону энергоэффективности, точности и цифровой адаптивности электрооборудования для насосных установок. Благодаря частотному регулированию, предприятия получают возможность гибко настраивать технологические процессы под конкретные задачи, снижая при этом энергозатраты, износ оборудования и уровень аварийности